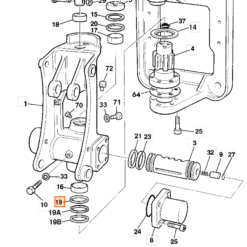
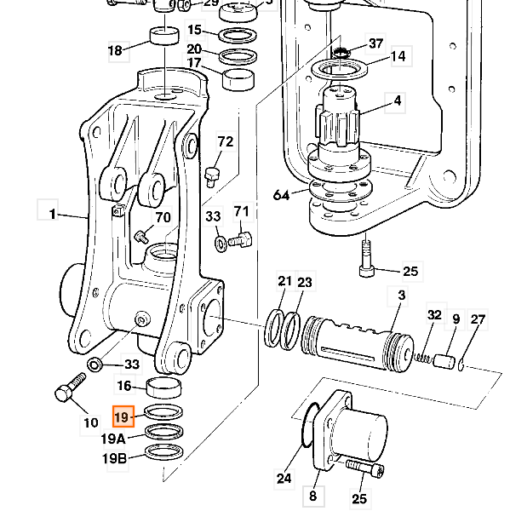
904/14700 CORTECO Simering/gufero 90x110x13 JCB

365,90 Kč s DPH